Графические изображения, наглядно демонстрирующие соотношение каких-либо величин, часто используют в экономике и финансах. Но зачастую диаграммы можно наблюдать и в технической документации. В этой статье мы попробуем разобраться в диаграммах на примерах работы реле контроля и управления.
Реле времени – работа по расписанию
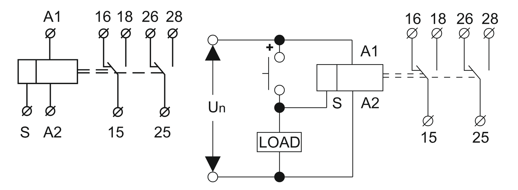
Обратимся к документации на реле времени ORT-2T-AC230V. В ней мы можем найти электрическую схему реле и одну из возможных схем подключения (соответственно):
Электрическая схема реле времени IEK (слева) и схема возможного подключения (справа).
Это реле времени предназначено для поэтапного включения мощных нагрузок и имеет 2 независимые уставки/настройки времени срабатывания (t1 и t2). Вот как оно выглядит:
У реле имеются две группы перекидных контактов, на контакты А1 и А2 должно подаваться питающее напряжение (Un). При питании реле постоянным током полярность имеет значение (судя по схеме, на контакты А1 и S должен подаваться плюс).
Смотрим на функциональную диаграмму:
По оси Y расположены входы/выходы реле, которые меняют свое состояние. По оси X – время.
Закрашенный прямоугольник показывает, что соответствующий вход/выход активен (есть сигнал или замкнут контакт).
Получается, что данное реле времени работает так: при подаче питания на реле (Un) начинается отсчет времени t1 и t2 (необходимые значения можно задать поворотными регуляторами, расположенными на фасаде реле). После отсчета времени t1 контакты реле 15-18 замыкаются, а после отсчета времени t2, замыкаются контакты реле 25-28.
Если с реле снять питание Un или подать сигнал на контакт S, то контакты 15-18 и 25-28 сразу же (без выдержки времени) разомкнутся. При появлении питания Un и отсутствии сигнала S вновь начнется отсчет времени t1 и t2, после чего контакты 15-18 и 25-28 снова замкнутся. Таким образом, по диаграмме можно понять, как работает реле, каким образом отреагирует на те или иные события (входные сигналы).
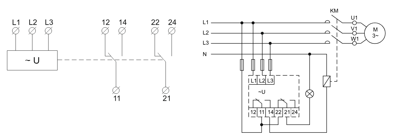
Реле контроля фаз – следим за параметрами электросети
Теперь к документации на реле контроля фаз ORF-06D-220-460VAC. В ней мы можем найти электрическую схему реле и одну из возможных схем подключения (соответственно):

Электрическая схема реле контроля фаз ONI (слева) и схема возможного подключения (справа).
Данное реле предназначено для контроля параметров электрической сети (чередование фаз, обрыв фаз, асимметрия, повышенное и пониженное напряжение). Также устройство защищает чувствительных к этим параметрам потребителей посредством передачи команды исполнительным устройствам. Само реле выглядит так:
Из всего этого мы понимаем, что у реле имеются две группы перекидных контактов, на контакты L1, L2, L3 должно подаваться питающее напряжение (Un).
Смотрим на функциональную диаграмму:
Данное реле времени работает так:
При подаче на L1, L2, L3 нормального напряжения (напряжение не повышено и не понижено, чередование фаз не нарушено, напряжение на каждой фазе одинаково) начинает светиться зеленый светодиод Un, контакты 11-12 и 21-22 размыкаются, а 11-14 и 21-24 замыкаются, при этом начинает светиться красный светодиод R.
При пропадании напряжения на L1, сразу (без выдержки времени) перестают светиться светодиоды Un и R, также размыкаются 11-14 и 21-24 контакты (а контакты 11-12 и 21-22 замкнутся, т.к. контакты перекидные). То же происходит и при пропадании/обрыве L2 и L3. При восстановлении напряжения восстанавливается и состояние реле (контакты 11-14 и 21-24 замкнуты, светодиоды Un и R светятся).
При слипании фаз или нарушении их чередования, контакты 11-14 и 21-24 размыкаются, светодиод R перестает светиться, а светодиод Un начинает моргать.
При снижении/превышении напряжения контакты 11-14 и 21-24 размыкаются не сразу, а с выдержкой времени. Светодиод R во время отсчета задержки срабатывания защиты (размыкания 11-14 и 21-24) моргает, светодиод Un продолжает светиться. При восстановлении напряжения восстанавливается и состояние реле (контакты 11-14 и 21-24 замкнуты, светодиоды Un и R светятся).
Восстановление нормальной работы реле происходит при напряжении, равном значению уставки >U минус гистерезис (согласно документации на данное реле, значение гистерезиса равно 2% от Un). Также необходимо учитывать, что снижение напряжения ниже 0,5Un воспринимается реле как обрыв фазы, соответственно, срабатывание защиты (размыкание контактов 11-14 и 21-24) произойдет без выдержки времени.
Аналогичный алгоритм работы реле при контроле перекоса фаз.